Дизельный генератор ПСМ ADP-16 в контейнере

возможна покупка в лизинг
Дизельный генератор ПСМ ADP-16 в контейнере
Дизельный генератор ПСМ ADP-16 в контейнере
Дизельный генератор ПСМ ADP-16 в контейнере
Степень автоматизации: без АВР
без АВР с АВР
Исполнение: в контейнере
в кожухе в контейнере открытое
Гарантия от производителя — 1 год!
Цена
По запросу
Оформим КП быстро и с учётом всех требований.
Список
По вопросам скидок, общайтесь по телефону: 8 (800) 222-85-56
Список

Описание и характеристики

Основные характеристики:

Мощность номинальная :
16 кВт (20 кВА)
Мощность максимальная :
18 кВт (22 кВА)
Напряжение :
230/400 В
Исполнение :
в контейнере
Пуск :
электростартер
Степень автоматизации :
без АВР
Модель :
ADP-16 в контейнере
Бренд :
ПСМ

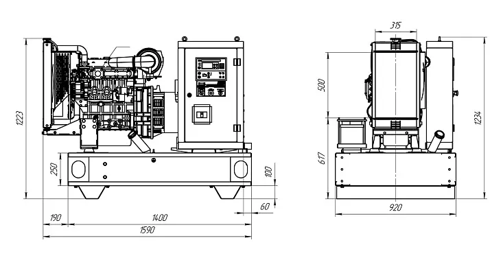
Габариты

  • Длина, мм: 2500
  • Ширина, мм: 1400
  • Высота, мм: 1980
  • Вес, кг: 1655
  • Варианты исполнения

    Дизельный генератор ПСМ ADP-16

    Мощность
    16кВт
    Напряжение
    230/400 В
    Топливо
    дизель
    Степень автоматизации
    без АВР
    Исполнение
    открытое
    Цена по запросу

    Аналогичные модели